兩線制電阻和四線制電阻測量的定義
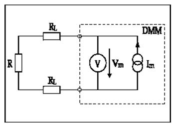
兩線制電阻測量
儀器在測量未知電阻R時,要通過測試線向被測電阻發送電流,然后測量被測電阻R兩端的壓降,同時測試線的電阻RL也會產生較小的壓降。在測量阻值較小(1kΩ)的電阻時,使用儀器的補償模式來補償電纜電阻將更為有利。
為了補償測試線電阻,可先將測量線兩端短接,然后按下補償按鈕,測試線和接觸電阻所引起的所有誤差將被消除。如果沒有使用該校正方法,則獲得的電阻值將總是位于右側,因為測量結果中含有測量電路的寄生電阻。

兩線制電阻測量的工作原理
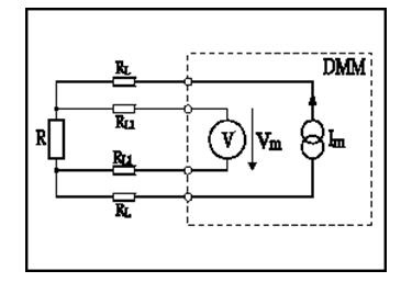
四線制電阻測量
小電阻的傳統測量方法被稱為四線制測量法或開爾文定律。采用這種測量法時,儀器同樣提供精確的恒定電流,該方法使用另外兩條測試線直接與被測電阻R相連,因而可以不受傳送測量電流的兩條測試線中產生的壓降的影響而直接測量R兩端壓降。儀表上傳送恒定電流的端子被成為源端子,用于直接測量被測電阻兩端壓降的儀表端子被成為感應端子。感應輸入的輸入電阻RL1阻值非常高,因而通過該輸入電阻的電流極小,可以忽略不計。

四線制電阻測量的工作原理

版權聲明:本資料屬于北京海洋興業科技股份有限公司所有,如需轉載,請注明出處!
上一篇:線圈元件的脈沖測試技術 下一篇:什么叫做微歐計?微歐計工作原理是什么?



